OMFB NPH ASAE

Hydraulické zubové čerpadlo OMFB NPH-82 levé ASAE 10506100833

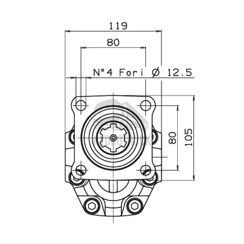
Geometrický objem
82 cm³
Rozměr hřídele
ASAE-M 1-3/8" 
Směr rotace
Levotočivé 
Maximální pracovní/krátkodobý tlak
190/220 bar 
Velikost sacího otvoru
G 1-1/4" (5/4") 
Velikost tlakového otvoru
2x G 3/4" 
Maximální pracovní/krátkodobé otáčky
1500/1800 ot/min 
Série
NPH 
Výrobce
OMFB 
Hmotnost produktu
14,88 kg
Kód produktu
10506100833
Dodání do 10 dnů
Doručíme 22. 1. 2026
Doprava od 59,00 Kč
- +
POROVNAT
10 860,00 Kč 13 140,60 Kč s DPH

KOMPATIBILNÍ PŘÍSLUŠENSTVÍ

Hydraulická šroubení

Hydraulická šroubení

Těsné připojení hydraulické nádrže, kulového kohoutu a čerpadla zajistíte sacím šroubením z masivní mosazi, nebo oceli. Robustní GBS spona spolu s pilovitým drážkováním zabrání sesmeknutí hadice a utahovací matice doplněná o-kroužkem usnadní montáž v požadovaném směru.

VYBRAT Hydraulická šroubení

PORADÍME, POMŮŽEME.

Určitě nás kontaktujte, dopadne to dobře. Na základě požadavků dodáme i atypické nádrže s příslušenstvím.
+420 777 739 083 Ing. Miroslav Bednář
NAPIŠTE NÁM